
YFA-H型焊接阀门液压测试机是罗浮阀门集团浙江西高泵阀有限公司为解决阀门制造厂、阀门使用等单位对无法兰式J61、J63、Z61等阀门和法兰式各种类阀门能在一机上进行检测试验的要求,按照《通用阀门的压力试验》和阀门的试验与检测的标准规范要求,设计制造顶压式阀门检测设备。本机集液压、机电,试压及液体介质贮存循环使用一体,具有结构合理、功能完善、操作方便等特点。
焊接阀门液压测试机产品广泛应用公称通径DN15-800mm各类高中低压阀门的强度和密封性能试验。焊接阀门液压测试机更高密封试验压力32.0MPa,强度试验48.0MPa。

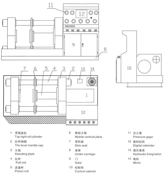
焊接式阀门液压测试台的外形结构示意图:

焊接阀门液压测试机使用操作方法
一、被试阀门装夹:
根据被试阀门通径大小,先调整好被试阀门定位架并点动工件压紧按钮,将移动档板进到被试阀门试压的相应位置边旁,再将被试阀门放置在定位架上,然后点动将工件压紧。
二、试压机压紧增压:
根据被测试阀门公称通径和公称压力,调节电接点压力表和被试阀门压力相同。参照《压紧油缸所需压力对照表》将压紧油缸压力增压到所需压力要求。 (注:增压按钮可要多次点动,每次按动相隔时间需在5-10秒钟左右)。
三、液体介质施压:
按被试阀门试验压力要求,首先参照《液动供压压力对照表》将减压调节阀调设在所需工作供压的位置上。打开进水阀门开关。 (检查进气阀门开关是否关闭)先将低压泵开始进水并达到低压要求,再按水泵起动钮,进行液动供压到所需压力时自动停止。
四、试验完毕泄压:
阀门测试完成时,先关闭进水阀门开关,开启泄压阀门开关,将施压介质压力排放完毕以后,点动工作放松按钮,卸下被试阀门。按照上述程序再测试另一阀门。
五、气介质试验:
将气源接入进气口上,关闭水管路上的阀门开关,开启进气阀门开关,准备操作要求,即可进行气介质性能试验。



