0577-67988558

产品中心

PRODUCT DISPLAY

联系方式 / CONTACT

地址:浙江省永嘉县瓯北镇东瓯泵阀园区 手机:0577-67988558 手机:15958793562 陈总 邮箱:2569887415@qq.com

罗浮阀门集团浙江西高泵阀有限公司

顶压式阀门打压机YFA-H型

产品参数

YFA-H型顶压式阀门打压机是我公司在多年生产阀门试压检测设备经验的基础上,为解决阀门制造厂、阀门使用等单位对无法兰式等阀门和法兰式各种类阀门能在一机上进行检测试验的要求,按照《通用阀门的压力试验》和《阀门的试验与检测》的标准规范要求设计制造。顶压式阀门打压机广泛用于阀门制造业和石油、石化、核电、化工等使用、阀门维修部门等单位的一种理想的阀门检测设备,主要用于公称通径DNl5-800mm各类高中低压阀门强度试验和阀门密封试验。


顶压式阀门打压机集液压、机电、试压及液体介质贮存循环使用于一体,具有结构合理、功能完善、操作方便等特点,顶压式阀门打压机更高密封试验压力32.0MPa,强度试验48.0MPa。阀门打压机的水路控制元件主要零件有过滤器、旋涡泵、不锈钢过滤器、不锈钢阀门、气液增压泵、不锈钢单向阀、电接点压力表、过滤减压阀、电磁阀、气控阀、过滤减压阀、不锈钢单向阀、精密过滤器、减压阀、水气控制模块等。

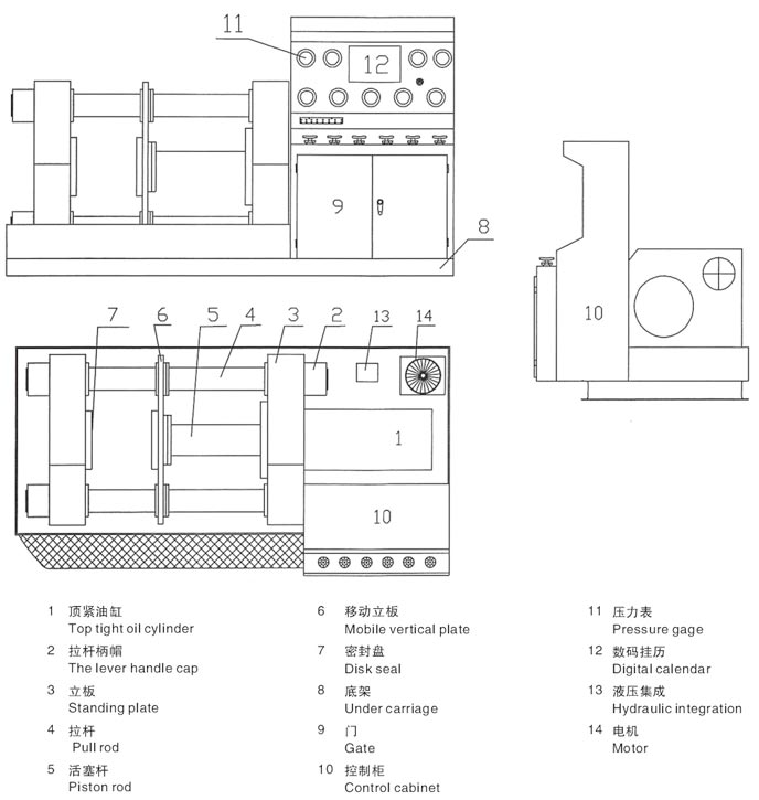
焊接式阀门液压测试台的外形结构示意图:

焊接式阀门液压测试台

顶压式阀门打压机性能特征

¤适用于直通焊接式,法兰式阀门的密封和阀体强度压力性能试验.

¤采用液压顶压驱动压紧密封方法,工作台设为平衡式移动架可水平移动.由液压驱动电器控制.

¤内置液动供压装置(高压水泵) 和低压注水泵, 试验介质循环贮存使用.

¤试验介质{防腐水, 煤油, 空气}

¤内置双向进压,泄压和保压, 附配检漏观察量杯.

¤配置保压时间声光报警指示及压力安全自动保护装置

¤压力表选用耐震表, 精度等级1.6级, 标准MPa/PSi,试验工作压力表实行[三级制],既:左右两向高中低压力表

焊接式阀门液压测试台焊接式阀门液压测试台焊接式阀门液压测试台

顶压式阀门打压机用户选择配置

¤压力数据釆集管理系统(PLC人机界面)

¤顶压式阀门打压机压力数字显示仪表

¤气体增压装置

¤350GK电动起重旋臂吊

¤阀门检测机安全防护观察推门

¤PVC操控面板

YFC-H型顶压式阀门打压机系列规格

image.png焊接式阀门液压测试台

移动端网站