0577-67988558

产品中心

PRODUCT DISPLAY

联系方式 / CONTACT

地址:浙江省永嘉县瓯北镇东瓯泵阀园区 手机:0577-67988558 手机:15958793562 陈总 邮箱:2569887415@qq.com

罗浮阀门集团浙江西高泵阀有限公司

焊接式阀门液压测试台

产品参数

焊接式阀门液压测试台集液压、机电、试压及液体介质贮存循环使用于一体,具有结构合理、功能完善、操作方便等特点,焊接式阀门液压测试台广泛用于公称通径DNl5-800mm各类高中低压阀门的强度和密封。性能试验。更高密封试验压力32.0MPa,强度试验48.0MPa。阀门生产和阀门解体检维修后的最后一个工序是试压检测。焊接式阀门液压测试台所采用的检测方法要依据标准或是国际标准。美国标准(ANSI/ASME,API)、德国标准(DIN)、欧洲标准(EN)以及国际标准(ISO)都是最常用的国际标准。


一、焊接式阀门液压测试台概述

YFA-DT型焊接式阀门液压测试台是我公司在多年生产阀门检测设备经验的基础上,为解决阀门制造厂、阀门使用等单位对无法兰式<J61、J63、Z61>等阀门和法兰式各种类阀门能在一机上进行检测试验的要求,按照《通用阀门的压力试验》和《阀门的试验与检测》的标准规范要求,顶压式阀门检测设备。焊接式阀门液压测试台广泛用于阀门制造业和石油、石化、核电、化工等使用、阀门维修部门等单位的一种先进理想的阀门检测设备,主要用于阀门强度试验和阀门密封试验。


焊接式阀门液压测试台

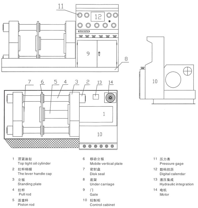
二、焊接式测试台工作原理及结构

YFA-DT型液压焊接阀门测试台集液压,机械、电器、液动供水泵于一体,采用液压油缸压紧。对被试阀门进行性能试验。液压系统是本测试台的动力主源,用于液压油缸驱动和液供水泵的功能执行。液压油缸压紧工作压力是按阀门试验压力等级不同进行调节增压(更高液压增压压力31.5MPa)。压紧可靠功能满足通径大小和压力等给不同阀门的测试。液动供水泵装置有微压和高中压二档,依照本测试操作顺序,在电器和减压调节阀门的控制下,进行阀门介质压力试验,供水泵压力范围0.4-48.0MPa,供压介质防锈水或油液。本测试台底部设置贮存水箱,确保液体介质循环使用。

焊接式阀门液压测试台的外形结构示意图:

焊接式阀门液压测试台

三、 使用注意事项和要求

一、设备安装:校好设备安置水平,或用混凝土固定脚螺栓。

二、选用30 — 40#液压油或20#机械油注入油箱、油量不能低于油位计下限。 

三、确保对被测试焊接阀不会腐蚀及本机供压介质要求的需要。焊接式阀门液压测试台贮水箱液体介质为防锈水或油液,按使用量情况放入贮存水箱。 

四、接通电源,按油泵起动,检查电机转动方向是否正确(顺时针方向),调节油泵压力在5 0MPa进行试机,检查各管路有无泄漏,发现不良现象应立即进行检修。 

五、测试阀门时,首先根据被试阀门试验要求参照《压紧油缸所需压力对照表》进行试验压力增压调节。严禁增压超高压工作。防止被试阀门变形损坏。 

六、液动供压泵工作之前,先将减压调节阀调设在相应使用压力位置上,然后进行介质压力工作。

七、贮水箱液体试验介质,要定期更换,对新启用的防锈水或油在使用1个月左右应清洗贮水箱,同时更换防锈水,以后三个月或半年更换一次。

八、油箱和滤油器要定期清洗,油箱油液要定期更换油液温度不能超过55~C。 

九、液压阀门测试台拉杆表面和活动处,要经常加油,保持润滑使用。

焊接式阀门液压测试台焊接式阀门液压测试台焊接式阀门液压测试台

焊接阀门液压测试机使用操作方法

一、被试阀门装夹: 

根据被试对焊端阀门的口径大小,先调整好被试阀门定位架并点动工件压紧按钮,将移动档板进到被试阀门试压的相应位置边旁,再将被试阀门放置在定位架上,然后点动将工件压紧。 

二、试压机压紧增压: 

根据被测试阀门公称通径和公称压力,调节电接点压力表和被试阀门压力相同。参照《压紧油缸所需压力对照表》将压紧油缸压力增压到所需压力要求。 (注:增压按钮可要多次点动,每次按动相隔时间需在5-10秒钟左右)。 

三、液体介质施压: 

按被试阀门试验压力要求,首先参照《液动供压压力对照表》将减压调节阀调设在所需工作供压的位置上。打开进水阀门开关。 (检查进气阀门开关是否关闭)先将低压泵开始进水并达到低压要求,再按水泵起动钮,进行液动供压到所需压力时自动停止。 

四、试验完毕泄压: 

阀门测试完成时,先关闭进水阀门开关,开启泄压阀门开关,将施压介质压力排放完毕以后,点动工作放松按钮,卸下被试阀门。按照上述程序再测试另一阀门。 

五、气介质试验:

将气源接入进气口上,关闭水管路上的阀门开关,开启进气阀门开关,准备操作要求,即可进行气介质性能试验。

焊接式阀门液压测试台

移动端网站